Feedback
AhlsellTuotteetSähköTeollisuustuotteet 23/27/36-38/8627 Releet, tunnistimet ja virtalähteetReleetImpulssireleetKeskusasennus



Elko
Sysäysrele Elko
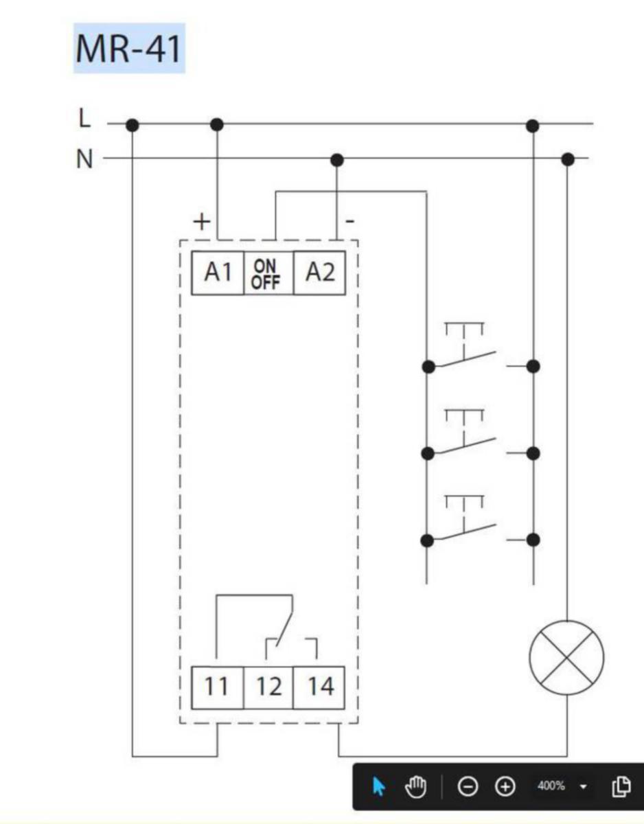
SYSÄYSRELE ELKO EP MR-41 1VK/16A 12-240VUC
Tuotenumero Toimittajan tuotenumero:
2707132
MR-41/UNI
Nähdäksesi varastosaldon ja hinnan
Elektroniset sysäysreleet Painikeohjatuilla sysäysreleillä voidaan korvata käytäväkytkentään tarvittavat vaihto- ja ristikytkimet valaistusohjauksessa Releet MR-41/UNI, MR-42/UNI muistavat viimeksi päällä olleen tilan syöttöjännitekatkoksen jälkeen. Katkoksen aikana rele on pois päältä ja syötön palautuessa rele kytkeytyy automaattisesti päälle.MR-41:Syöttöjännite: 12 - 240VUCLähtökosketin: 1 x vaihto 16AKatkaisukyky: 4000VA/AC1, 384 W/VDCKatkaisujännite 250VAC / 24VDCMR-42 - vaihtoehtoisesti koskettimet kytketään samanaikaisesti tai koskettimet kytkentä portaittain - toiminto valitaan valintapyörällä, F1 lähtökoskettimet toimivat samanaikaisesti ja F2 koskettimet toimivat portaittain. Lähtökosketin: 2x vaihto 16A Syöttöjännite 230VAC tai 12-240V AC/DC 1 moduulia, DIN-kiskokiinnitys
- Tuotenumero 2707132
- Toimittajan tuotenumero: MR-41/UNI
- Materiaaliluokka S2706B
Tekniset tiedot
- Pakkauskoot: 1 KPL/10 KPL
- Asennustapa: DIN-kisko
- Leveys (moduulipaikkojen määrä): 1
- Ohjausjännite 1: 12-240 V
- Ohjausjännite 1:n tyyppi: AC/DC
- Ohjausjännite 2:n tyyppi: AC/DC
- Käsikäyttöinen: ei
- Syöttöjännite: 12-240 V
- Syöttöjännitteen tyyppi: AC/DC
- Ohjausjännite 1:n taajuus: 50-60 Hz
- Toiminto: elektroninen kytkin
- Loistelamppukuorma maks.: 690 VA
- Loistelamppukuorma (tuplapiirissä) maks.: 0 VA
- Loistelamppukuorma (rinnakkain kompensoituna) maks.: 0 VA
- Maksimi hehkulamppukuorma: 1000 W
- Maksimikytkentävirta (cos phi = 0.6): 0 A
- Mitoitettu kytkentävirta: 16 A
- Upotussyvyys: 64 mm