Feedback




Dunlop Hiflex
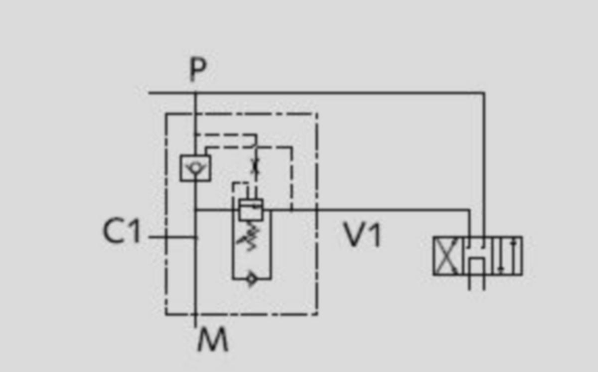
Pikaliikeventtiili Dunlop Hiflex
PIKALIIKEVENTTIILI VRSP1/2" DH 13-VRSP-08
Tuotenumero Toimittajan tuotenumero:
37944163
13-VRSP-08
Nähdäksesi varastosaldon ja hinnan
Pikaliikeventtiiliä käytetään kun halutaan saada nopeutettua sylinterin + liikettä (syl.varsi tulee ulos). Sylinterin varrenpuolelta tuleva öljy johdetaan männänpuolelle pumpun tuoton lisäksi. Sylinterin paineen noustessa säädettyyn arvoon venttiili kytkeytyy pois päältä ja sylinterin paluuvirtaus ohjautuu paluulinjaan
- Tuotenumero 37944163
- Toimittajan tuotenumero: 13-VRSP-08
- Materiaaliluokka K1734B
Tekniset tiedot