Feedback
AhlsellTuotteetSähköTyö- ja turvavälineet, mittarit ja paristot 64/67/8767 Mittarit ja laskuritMittauslaitteetVirtamuuntajat



S.T.E
Virtamuuntaja kiinteä S.T.E Strumenti TC22 0,2S
VIRTAMUUNTAJA KIINTEÄ STE TC22 LK 0,2S 125/5A 1,5VA
Tuotenumero Toimittajan tuotenumero:
6703101
TC22 125AS
Nähdäksesi varastosaldon ja hinnan
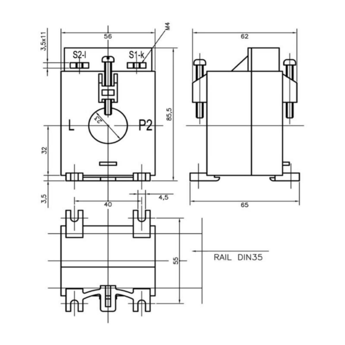
S.T.E Strumentin virtamuuntajat ovat IEC 60044-1- ja IEC 61869-2 -standardien mukaan valmistettuja. Muuntajat on suunniteltu sisäkäyttöön ja kotelo on itsesammuvaa muovia. TC22-TC40 virtamuuntajat voidaan kiinnittää 32mm DIN-Kiskoon.
- Tuotenumero 6703101
- Toimittajan tuotenumero: TC22 125AS
- Materiaaliluokka S67230
Tekniset tiedot