Feedback



Bussmann
Kahvasulake UR Bussmann erikoisnopea runko
KAHVASULAKE UR BUSSMANN 450A RUNKO 75MM KOKO 1*
Tuotenumero Toimittajan tuotenumero:
3175150
170M3420
Nähdäksesi varastosaldon ja hinnan
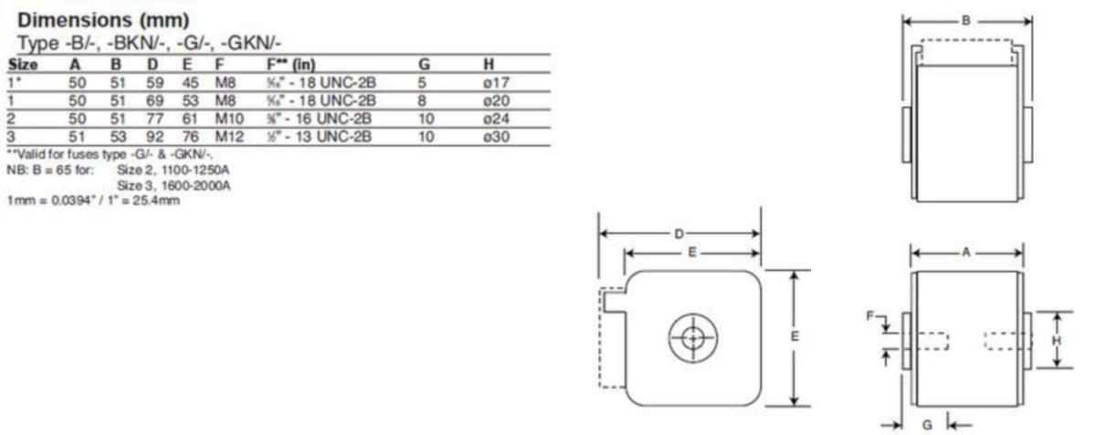
Erikoisnopea kahvasulake, 450 A, 690VAC aR, runkokiinnitys "Flush End" M8 , 45 x 59 x 51 mm, aR, IEC, UL, indikointi: Suojausluokan aR- sulake on tarkoitettu esim. taajuusmuuttajan oikosulkusuojaukseen. Huom. aR-luokan sulakkeita ei pitäisi käyttää korvaamaan gS- tai gR-suojausluokan sulakkeita, koska aR-sulakkeet ovat useimmiten nopeampia (aR sulakkeiden I2t- arvo on pienempi).
- Tuotenumero 3175150
- Toimittajan tuotenumero: 170M3420
- EAN koodi: 5027590447669
- Materiaaliluokka S3101B
Tekniset tiedot
- Pakkauskoot: 6 KPL
- Mitoitusvirta: 450 A
- Jännitetyyppi: AC
- Käyttöluokka: aR
- Sulakkeen tilanilmaisu: muu
- Eristetyt metallikorvakkeet (IMGL): ei