Feedback



Hager
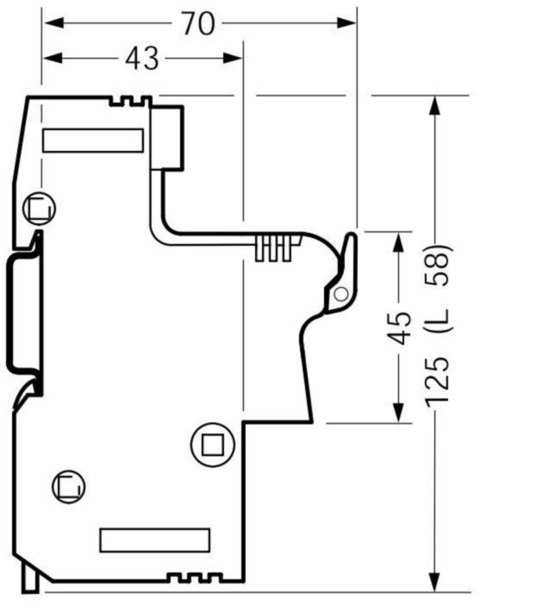
Putkisulakealusta Hager
PUTKISULAKEALUSTA HAGER LS703 3-NAP L58 PUTKISUL.
Tuotenumero Toimittajan tuotenumero:
3013070
LS703
Nähdäksesi varastosaldon ja hinnan
Putkisulakealustalla lisäät helposti laitevalmistuksessa, teollisuuden kojeistoissa ja kaupunki-infran lähtöjen suojaksi vaihtosähköverkolle tarkoitetut 22 x 58 mm mitoitetut keraamiset putkisulakkeet. DIN-mitoitus mahdollistaa asennuksen DIN-kiskolle moduulimitoitettuihin keskuksiin ja koteloihin.Aikaisempi sähkönumero: 3175278
- Tuotenumero 3013070
- Toimittajan tuotenumero: LS703
- EAN koodi: 3250614197031
- Materiaaliluokka S3105B
Tekniset tiedot
- Pakkauskoot: 1 KPL/288 KPL
- Leveys (moduulipaikkojen määrä): 4.5
- Napojen lukumäärä: 3
- Nimellisjännite: 690 V
- Kotelointiluokka (IP): IP20
- Sulakekoolle: 22x58 mm
- Asennustapa: DIN-kisko