Feedback
AhlsellTuotteetSähköAsennustuotteet 11-2826 Kellokytkimet, termostaatit ja valaistuksenohjausValonsäätimetTarvikkeet



Hager
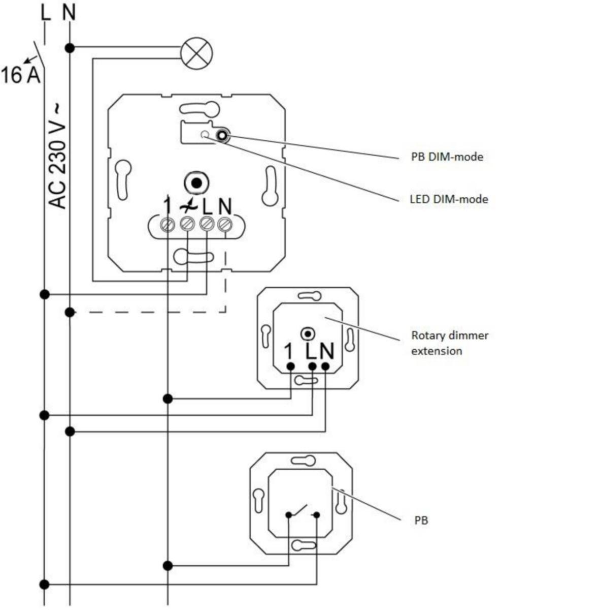
Laajennusmoduuli Hager R.classic
LAAJENNUSMODUULI R.CLASSIC SÄÄT. 29442089 UKR VAL
Tuotenumero Toimittajan tuotenumero:
2613678
29452089
Nähdäksesi varastosaldon ja hinnan
Laajennusmoduuli Serie R.classic valonsäätimelle 29442089 sivuohjainpisteiden lisäämiseksi yleiskiertovalonsäätimelle. Väri puhtaanvalkoinen kiiltävä.
- Tuotenumero 2613678
- Toimittajan tuotenumero: 29452089
- EAN koodi: 4011334510185
- Materiaaliluokka S2612B
Tekniset tiedot
- Pakkauskoot: 1 KPL/576 KPL
- Väri: musta
- Nimellisjännitealue: 230 V
- Käyttötapa: väännin/painike
- Laitteen leveys: 71 mm
- Kokoonpano: peruselementti keskiölevyllä
- Materiaali: muu
- Laitteen korkeus: 71 mm
- Laitteen syvyys: 45 mm
- Taajuus: 50-60 Hz
- Materiaalin laatu: muu
- RAL-numero (vastaava): 9005
- Asennustapa: uppoasennus
- Sopii kotelointiluokalle (IP): IP20
- Kiinnitystapa: kynsikiinnitys
- Pintamateriaali: kiiltävä
- Pinnan suojaus: käsittelemätön
- Minimisyvyys (sisäänrakennettu laitekotelo): 27 mm
- Kytkentätapa: pistokepuristin / jousiliitin