Feedback
AhlsellTuotteetSähköAsennustuotteet 11-2826 Kellokytkimet, termostaatit ja valaistuksenohjausValonsäätimetTarvikkeet



Hager
Laajennusmoduuli Hager S.1
LAAJENNUSMODUULI S.1 296210 SÄÄT. 296110 UR
Tuotenumero Toimittajan tuotenumero:
2613669
296210
Nähdäksesi varastosaldon ja hinnan
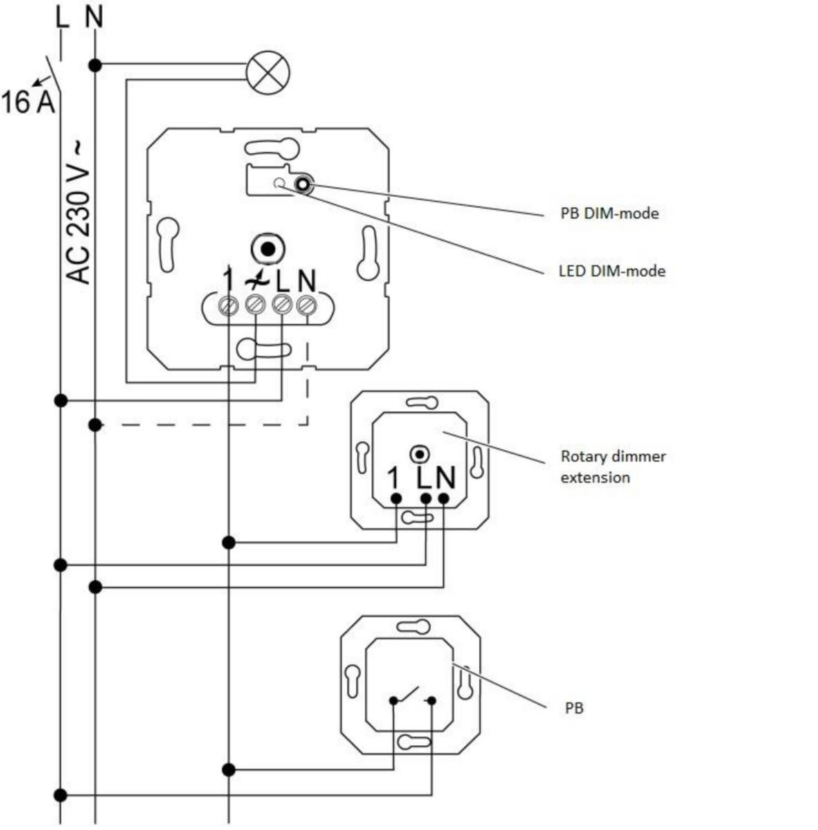
Laajennusmoduuli valonsäädinrungolle 296110 sivuohjainpisteiden lisäämiseksi yleiskiertovalonsäätimelle. Keskiölevy ja peitelevy valittava käyttöön halutun kalustesarjan mukaan S.1, B.x, Q.x, K.x, R.x.
- Tuotenumero 2613669
- Toimittajan tuotenumero: 296210
- EAN koodi: 4011334510154
- Materiaaliluokka S2612B
Tekniset tiedot
- Pakkauskoot: 1 KPL/1600 KPL
- Nimellisjännitealue: 230 V
- Käyttötapa: väännin/painike
- Laitteen leveys: 71 mm
- Materiaali: muu
- Laitteen korkeus: 71 mm
- Laitteen syvyys: 43 mm
- Taajuus: 50-60 Hz
- Materiaalin laatu: muu
- Asennustapa: uppoasennus
- Sopii kotelointiluokalle (IP): IP20
- Kiinnitystapa: kynsikiinnitys
- Pinnan suojaus: muu
- Minimisyvyys (sisäänrakennettu laitekotelo): 27 mm
- Johtimen poikkipinta-ala: 0.5-4 mm²
- Kytkentätapa: pistokepuristin / jousiliitin