Feedback



Ouneva
Kojeliitin OT Ouneva
KOJELIITIN OT OT 1XAL/CU 6-95MM²
Tuotenumero Toimittajan tuotenumero:
1914393
VC02-0145
Nähdäksesi varastosaldon ja hinnan
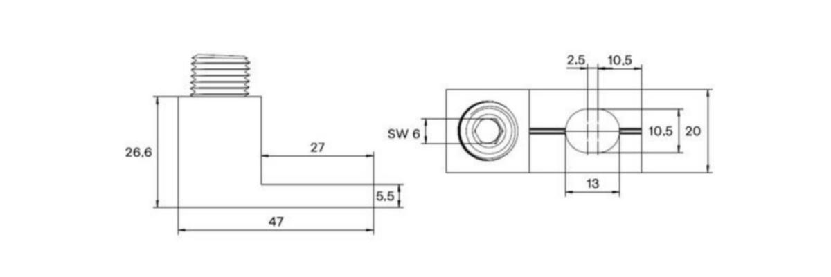
OT-yleisliitinOunevan OT-yleisliittimet ovat tarkoitettu Al- ja Cu-johdinten laitteistokytkentöihin. Liittimiä käytetään sähkökojeissa ja kojeistoissa. OT-liittimet valmistetaan tinapinnoitetusta alumiinista. Liittimet valmistetaan Suomessa. Alumiini- ja kupari- (Al/Cu) kaapeleiden liittämiseen Al/Cu 6 - 95 mm²
- Tuotenumero 1914393
- Toimittajan tuotenumero: VC02-0145
- EAN koodi: 6430051863004
- Materiaaliluokka S1908B
Tekniset tiedot
- Pakkauskoot: 1 KPL/30 KPL
- Väri: muu
- Liitettävä johdin, monisäikeinen: 6-95 mm²
- Mitoitusvirta In: 245 A
- Nimellisjännite: 690 V
- Liitäntävalmiin hienolankaisen johtimen poikkipinta-ala kaapelipäätteellä: 6-95 mm²
- Kaapeliliitännän tyyppi 1: ruuviliitäntä
- Kerrosten lukumäärä: 1
- Kontaktien määrä per kerros: 1
- Asennustapa: muu
- Rungon eristysmateriaali: ei ole
- Liitäntävalmiin hienolankaisen johtimen poikkipinta-ala ilman kaapelipäätettä: 6-95 mm²
- Käyttölämpötila-alue: -20-80 °C
- Räjähdystestattu versio 'Ex e': ei
- Soveltuu johdinmateriaalille: alumiini/kupari