Feedback



Meka
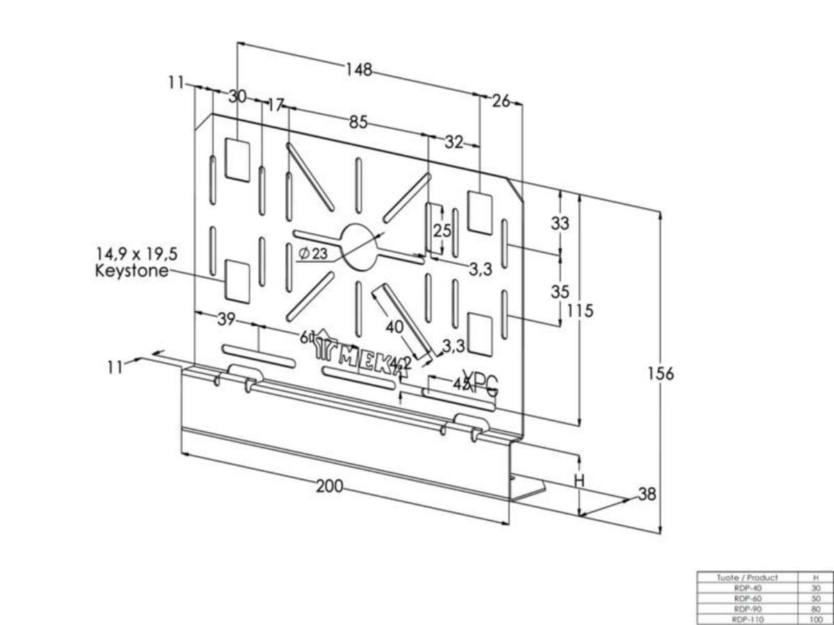
Asennuslevy Meka RDP
ASENNUSLEVY MEKA RDP-40 M
Tuotenumero Toimittajan tuotenumero:
1431650
RDP-40 M
Nähdäksesi varastosaldon ja hinnan
Asennuslevyllä RDP asennetaan jakorasiat ja asennuskalusteet levyhyllyihin KRA ja KRB sekä valaisinkiskoihin MEK 70 S, MEK 70 K, MEK 70, MEK 110, KRV ja AluMEK.
- Tuotenumero 1431650
- Toimittajan tuotenumero: RDP-40 M
- EAN koodi: 6438377011376
- Materiaaliluokka S1447A
Tekniset tiedot
- Pakkauskoot: 1 KPL/1 KPL/280 KPL/560 KPL
- Malli / Tyyppi: pystysuora
- Levyn leveys: 156 mm
- Levyn korkeus: 200 mm
- Väri: valkoinen
- RAL-numero: 9010
- Materiaali: teräs
- Pinnan suojaus: kuumasinkitty (jatkuva) ja pinnoitettu
- Materiaalin laatu: muu
- Kiinnitystapa: puristusasennus
- Ruostumaton teräs, peitattu: ei