Feedback
Ainestodistus EN 10204/3.1
- Tuotenumero 1172411
- Toimittajan tuotenumero: 031991060
- EAN koodi: 6415895126324
- Materiaaliluokka P1131B
Tekniset tiedot
- Pakkauskoot: 1 KPL/30 KPL
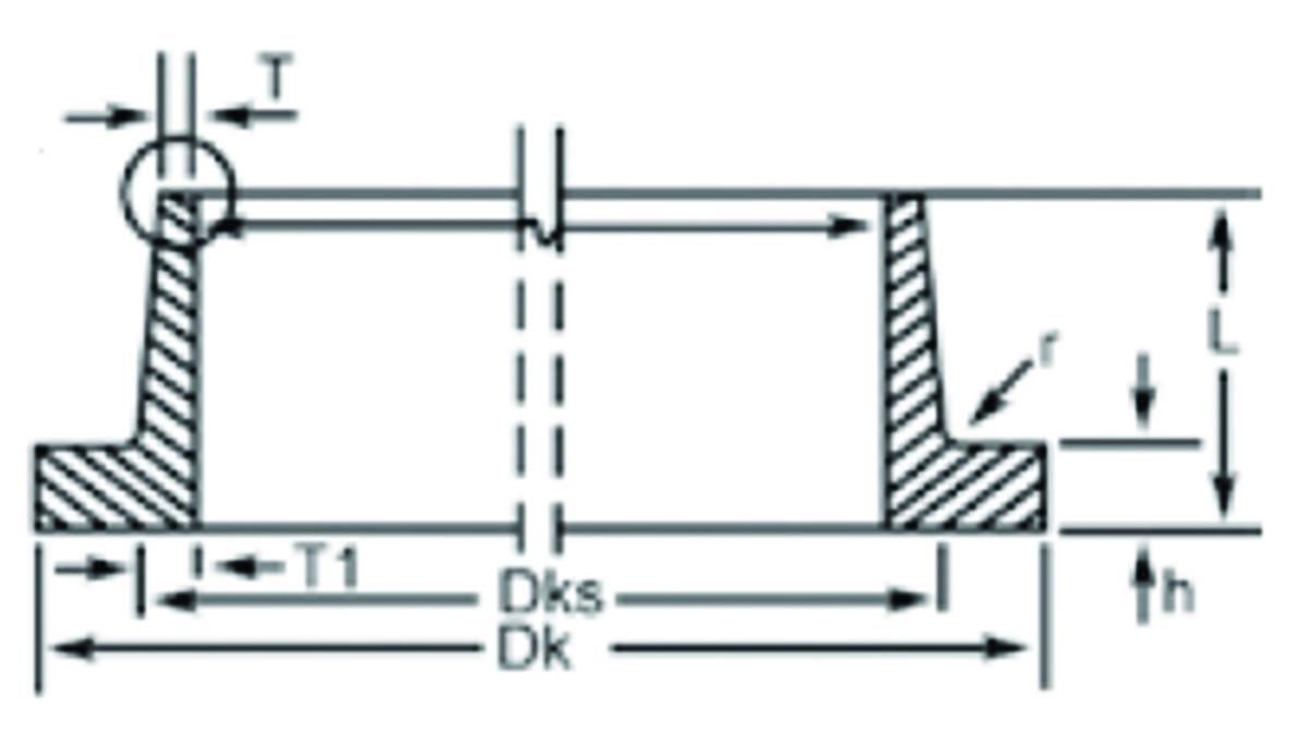
- Nimellishalkaisija: DN 50
- Maksimikäyttöpaine, 20 °C: 16 bar
- Putken ulkohalkaisija: 60.3 mm
- Paino: 0.53 kg
- Laipan ulkohalkaisija: 102 mm
- Liitäntätyyppi: hitsausliitos
- Materiaali: ruostumaton teräs



