Feedback
Jätevesien pumppaamosäiliö (ei sisällä pumppua). Kellumisen estävä muovikaivo PE-materiaalista peruskuormapumppuasemana asennettavaksi rakennukseen harmaavesipumppaamona tai rakennuksen ulkopuolelle säiliöpumppaamona standardin EN 12050-2 mukaisesti. Täydellinen kokonaisuus, jossa kyseiseen pumpputyyppiin kuuluvat suojaputkisto, takaiskuventtiili, kansi vastaavin tiivistein, lattiakiinnitys, tulovirtaustiiviste DN 100 sekä pienosat. Tulovirtausliitäntä vapaasti valittavissa DN 150 saakka. Säätölaite lisävarusteena vapaasti valittavissa.
- Tuotenumero 4965932
- Toimittajan tuotenumero: 2525164
- EAN koodi: 4016322846802
- Materiaaliluokka P4903A
Tekniset tiedot
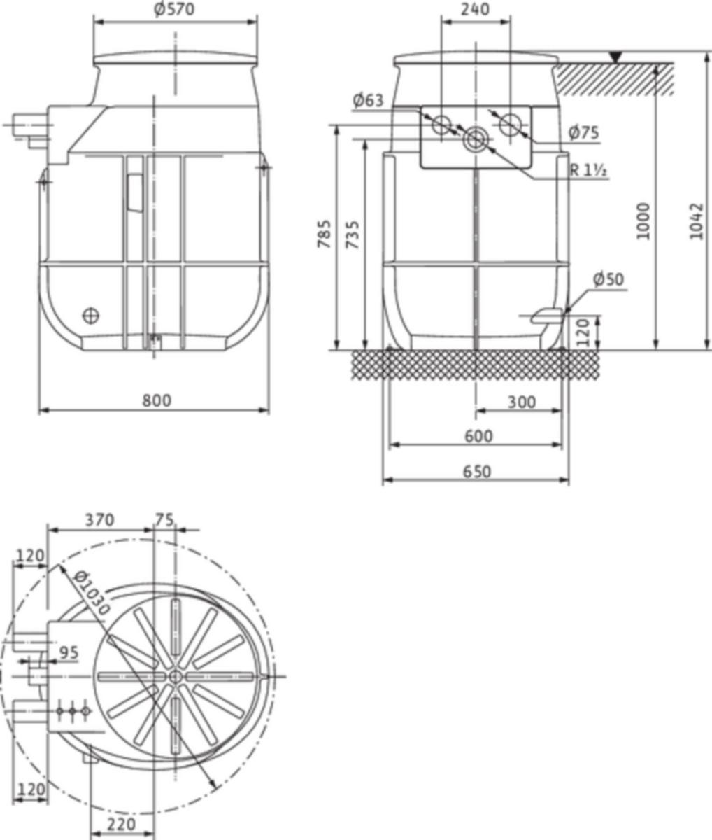
- Pituus: 800 mm
- Paino: 43 kg
- Korkeus: 1042 mm
- Leveys: 650 mm
- Tilavuus: 255 l
- Toiminto: WS 40E/MTC
- Liitännät: 1 1/2"


