Feedback
AhlsellTuotteetSähköTeollisuustuotteet 23/27/36-38/8627 Releet, tunnistimet ja virtalähteetReleetValvontareleet



Hager
Valvontarele virta Hager
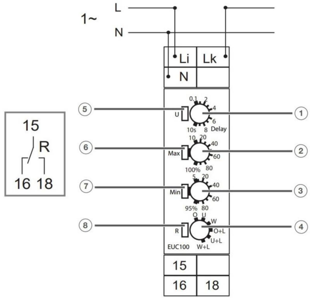
VALVONTARELE VIRTA HAGER EUC100 1V 0.5-10A ALI/YLI/IKK.
Tuotenumero Toimittajan tuotenumero:
2707345
EUC100
Nähdäksesi varastosaldon ja hinnan
Virranvalvontarele valvoo 1-vaiheisen vaihtovirtapiirin virtatasoa asetetun raja-arvon, asetettavan hystereesin ja asetettavan kytkentäviiveen mukaan. Toiminnot ja raja-arvot asetellaan neljän laitteen etupinnassa olevan potentiometrin avulla. Neljä tilailmaisumerkkivaloa kertovan laitteen tilasta. Laitteella on mahdollista aktivoida muistitila jokaiselle eri toiminnolle. Valittavissa olevat toiminnot ovat alivirtavalvonta, ylivirtavalvonta sekä virtaikkunavalvonta muistitoiminnolla tai ilman.HUOMIO! Käyttö 5A toisiolla varustetun virtamuuntajan kanssa mahdollista samalle vaiheelle kytkettynä. Virtarajojen asettelussa ei saa ylittää 50% tasoa. Asettelutaso lasketaan toision virta-arvoille 0-5A releen suhteessa asetteluvälille 0-50%.
- Tuotenumero 2707345
- Toimittajan tuotenumero: EUC100
- EAN koodi: 3250615600523
- Materiaaliluokka S2706B
Tekniset tiedot
- Irrotettavilla kiinnikkeillä: ei
- Yksivaihealivirtavalvonta: kyllä
- Kolmivaihealivirtavalvonta: ei
- Yksivaiheylivirtavalvonta: kyllä
- Kolmivaiheylivirtavalvonta: ei
- Yksivaihehystereesivalvonta: kyllä
- Kolmivaihehystereesivalvonta: ei
- DC-alivirtavalvonta: ei
- DC-ylivirtavalvonta: ei
- DC-virtahystereesivalvonta: ei
- Min. säädettävä päästöhidastus: 0.1 s
- Maksimi sallittu päästöhidastus: 10 s
- Vaihtokoskettimien lukumäärä: 1
- Leveys: 17.5 mm
- Korkeus: 87 mm
- Syvyys: 65 mm
- Ulkoinen virtamuuntaja: kyllä