Feedback



Meka
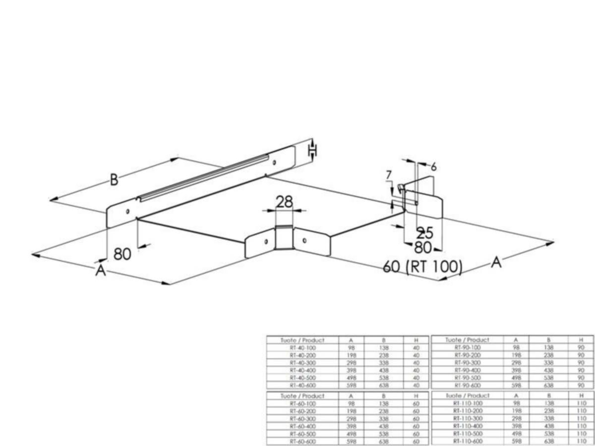
T-kappale Meka RT
T-KAPPALE LEVYHYLLY MEKA RT-40-200 M
Tuotenumero Toimittajan tuotenumero:
1431362
RT-40-200 M
Nähdäksesi varastosaldon ja hinnan
T-kappaleella RT tehdään T-risteykset levyhyllyille KRA ja KRB.
- Tuotenumero 1431362
- Toimittajan tuotenumero: RT-40-200 M
- EAN koodi: 6438377010102
- Materiaaliluokka S1447A
Tekniset tiedot
- Pakkauskoot: 1 KPL/1 KPL
- Väri: valkoinen
- Levyhyllyn leveys: 200 mm
- Levyhyllyn korkeus: 40 mm
- Rakennetyyppi: vaakasuuntainen T-kappale
- Materiaali: teräs
- Materiaalin laatu: muu
- Malli / Tyyppi: integroitu liitososa
- NATO-kiinnitysreiät: ei
- Pinnan suojaus: kuumasinkitty (jatkuva) ja pinnoitettu
- RAL-numero: 9010
- Ruostumaton teräs, peitattu: ei
- Soveltuu piirin jatkuvuuden säilymiseen: kyllä
- Sisäsäde: 20 mm