Feedback

PAM
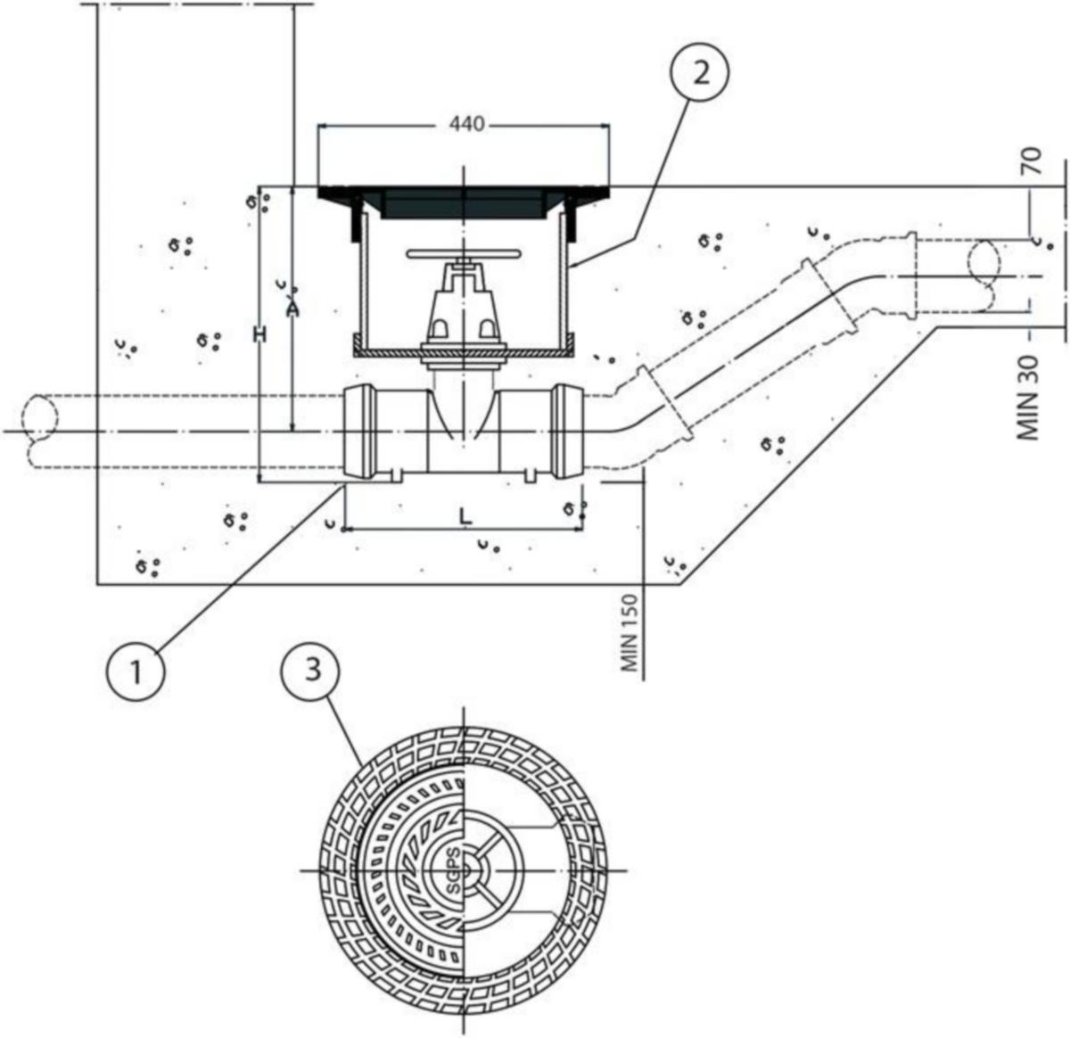
Sulkuventtiilikaivo SVK
SULKUVENTTIILIKAIVO WC:LLE SVK 100
Tuotenumero Toimittajan tuotenumero:
3370520
S7600110
Nähdäksesi varastosaldon ja hinnan
Sulkuventtiilikaivot SVK 70 ja SVK 100 on tarkoitettu käytettäväksi K-, S1-, S3- ja S6-luokan väestönsuojien viemärin sulkuventtiileinä. SVK 100 käy myös WC:n vesille. Sulkuventtiilikaivoille on VTT:n lausunto soveltuvuudesta Dno 97-93/LVI33.
- Tuotenumero 3370520
- Toimittajan tuotenumero: S7600110
- EAN koodi: 6415833705208
- Materiaaliluokka P3301A
Tekniset tiedot
- Putken ulkohalkaisija, kaikki liitokset: 110 mm
- Tuotteen paineluokka: PN 16
- Kotelon/suojuksen materiaali: valurauta
- Materiaalin laatu: muu
- Pinnan suojaus: pinnoitettu
- Nimellishalkaisija: DN 100
- Liitännän tiiviste 2: kyllä
- Liitäntä 2: muu
- Käyttö: käsipyörä
- Liitännän tiiviste 1: kyllä
- Liitäntä 1: muu